- 冷藏箱压缩机起动不久又停机故障分析及维修方法
评论2020-11-05
- 冷藏箱压缩机不能起动故障分析及维修方法
评论2020-11-05
- 冷藏箱基本的手动控制电气系统——自动控温电路
评论2020-11-05
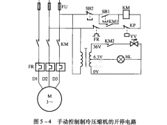
- 冷藏箱基本的手动控制电气系统——开停电路和保护元件
评论2020-11-05
- 冷藏箱的制冷系统配置如何?
评论2020-11-05
- 商用冷藏箱有哪几种分类?
评论2020-11-04
- 果蔬运输途中管理——通风
评论2020-11-04
- 果蔬冷藏运输管理——到达作业
评论2020-11-04
- 风机盘管空调器日常维护——盘管和风机的维护
评论2020-11-04
- 果蔬运输的装载方法介绍
评论2020-11-04
- 切花运输:远距离运输对切花质量的要求
评论2020-11-04
- 风机盘管空调器日常维护——空气过滤网和滴水盘
评论2020-11-04
- 风机盘管空调机组的控制方法——水量调节
评论2020-11-04
- 风机盘管空调机组的控制方法——风量调节
评论2020-11-04
- 风机盘管空调器的室温控制有哪两种方法?
评论2020-11-04
- 果蔬运输途中管理——温度的管理
评论2020-11-04
- 切花常用的预冷方法:真空冷却
评论2020-11-04
- 果蔬冷藏运输——果蔬的预冷
评论2020-11-04
- 切花常用的预冷方法:强制通风冷却
评论2020-11-04
- 冷藏运输工具:各种果蔬运输工具的比较
评论2020-11-04