- 制冷系统常用制冷剂——氨(R717)
评论2020-12-09
- 制冷剂的有关热力状态_蒸发与沸腾
评论2020-12-09
- 辐射式末端换热器的种类
评论2020-12-09
- 制冷系统对制冷剂各方面的要求
评论2020-12-09
- 润滑油变坏的主要原因有哪些?
评论2020-12-09
- 空气热湿处理设备——诱导器和辐射式末端换热器
评论2020-12-09
- 流体力学基础知识:理想的稳定流体
评论2020-12-09
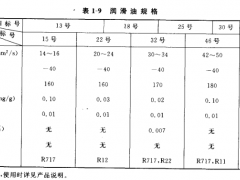
- 制冷机润滑油的主要性能有哪些?
评论2020-12-09
- 空气热湿处理设备-加湿器
评论2020-12-09
- 空气热湿处理设备之-除湿机
评论2020-12-09
- 制冷技术基础知识:热力学定律
评论2020-12-09
- 电极式加湿器的安装及维护
评论2020-12-09
- 干蒸汽加湿器的安装使用与维护
评论2020-12-09
- 空气热湿处理设备——蒸汽加湿器的种类
评论2020-12-09
- 湿膜加湿器常见故障分析与排除
评论2020-12-09
- 湿膜加湿器的使用与维护
评论2020-12-09
- 电加热器常见的故障排除方法
评论2020-12-09
- 表冷器、加热器常见的故障
评论2020-12-09
- 表冷器、加热器如何进行使用维护?
评论2020-12-09
- 表冷器、加热器的使用方法
评论2020-12-09