热泵型冷水机组通过四通阀切换制冷剂流向实现制热功能,其核心原理是逆卡诺循环,利用压缩机驱动制冷剂在系统中循环,将环境中的低温热量“泵”送至高温侧供用户使用。以下是具体实现方式:
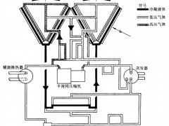
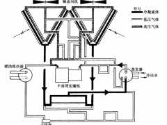
一、关键部件与切换机制
四通换向阀:制热时通电切换流向,使风侧换热器(原冷凝器)变为蒸发器从室外吸热,水侧换热器(原蒸发器)变为冷凝器向室内放热。
压缩机:将低温低压气态制冷剂压缩为高温高压气体,提升热量品味。
膨胀阀:节流降压制冷剂,使其在蒸发器中高效吸热。
二、冬季制热循环流程
吸热阶段:制冷剂在风侧换热器(蒸发器)中吸收室外空气热量蒸发为气态。
压缩阶段:气态制冷剂经压缩机升温升压至高温高压状态。
放热阶段:高温制冷剂在水侧换热器(冷凝器)中冷凝液化,释放热量加热用户侧水(如从40℃升至45℃)。
节流阶段:液态制冷剂经膨胀阀降压后重新进入蒸发器循环。
三、性能优势
·能效比(COP):制热时可达3-5,即1度电可产生3-5度热能,远高于电辅热(1:1)。
·低温适应性:部分机型通过变频技术或辅助加热,可在-20℃环境下稳定运行。
四、应用场景
适用于需同时制冷制热的场所,如泳池加热(结合冰场制冷)或建筑冷暖联供系统。









