- 三相供电柜式空调器电控系统——压缩机驱动电路
评论2020-03-19
- 三相和单相供电柜式空调器的区别——室内机主板
评论2020-03-19
- 三相和单相供电柜式空调器的区别——室外机
评论2020-03-19
- 单相供电柜式空调器室外机负载驱动电路
评论2020-03-19
- 单相供电柜式空调器的辅助电加热驱动电路
评论2020-03-19
- 单相供电柜式空调器的室内风机驱动电路
评论2020-03-19
- 单相供电柜式空调器的同步电机驱动电路
评论2020-03-19
- 机房采取下送风上回风方式需要注意什么?
评论2020-03-19
- 机房采取下送风方式的优点
评论2020-03-19
- 保温隔热材料的性能选择
评论2020-03-19
- 负荷计算的包含内容
评论2020-03-18
- 单相供电柜式空调器的蜂鸣器驱动电路
评论2020-03-18
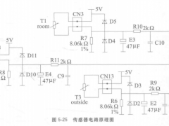
- 单相供电柜式空调器的传感器电路
评论2020-03-18
- 单相供电柜式空调器的按键电路
评论2020-03-18
- 单相供电柜式空调器的遥控接收电路
评论2020-03-18
- 单相供电柜式空调器的显示电路
评论2020-03-18
- 单相供电柜式空调器CPU三要素电路
评论2020-03-18
- 单相供电柜式空调器的电源电路
评论2020-03-18
- 柜式空调器和挂式空调器单元电路对比
评论2020-03-18
- 柜式空调器室内机主板方框图
评论2020-03-18