- 空调室内风机的霍尔元件检测方法
评论2020-03-18
- 空调室内风机的霍尔反馈电路
评论2020-03-18
- 氨、氟利昂制冷系统的试运转
评论2020-03-18
- 制冷机房工艺设计的步骤
评论2020-03-18
- 低压循环贮液桶在氨泵供液中的使用
评论2020-03-18
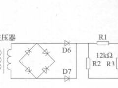
- 空调室内风机的过零检测电路
评论2020-03-18
- 空调的室外机电路
评论2020-03-18
- 制冷压缩机精平后的工作
评论2020-03-18
- 制冷压缩机初平后的精平
评论2020-03-18
- 制冷系统负荷试运转的要求
评论2020-03-18
- 制冷设备管道保温的目的与范围
评论2020-03-18
- 空调器输出部分的辅助电加热驱动电路
评论2020-03-18
- 空调器输出部分的步进电机驱动电路
评论2020-03-18
- 制冷安装工程及验收
评论2020-03-18
- 空调器输出部分的蜂鸣器驱动电路
评论2020-03-18
- 制冷阀门安装前准备工作
评论2020-03-18
- 制冷温度计的安装
评论2020-03-18
- 空调器输出部分的显示电路
评论2020-03-18
- 空调器输入部分的电流检测电路
评论2020-03-18
- 冷间机械根据实际情况修正耗冷量
评论2020-03-18