- 压缩机变速能量调节的方式
评论2021-06-24
- 制冷系统中热气旁通能量调节的工作特点
评论2021-06-24
- 热情旁通能量调节——热气向蒸发器中部或蒸发器前旁通
评论2021-06-24
- 压力容器事故的界定
评论2021-06-24
- 热气向吸气管旁通附加喷液冷却
评论2021-06-24
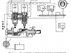
- 油压比例调节器式能量调节系统的工作原理
评论2021-06-24
- 油压比例调节器式能量调节系统的特点
评论2021-06-23
- 压力控制器一电磁阀式能量调节原理
评论2021-06-23
- 压力控制器一电磁阀式能量的调节过程
评论2021-06-23
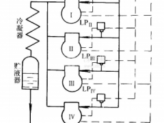
- 吸气压力控制器直接控制压缩机投入运行时间与台数
评论2021-06-23
- 制冷压缩机的吸气卸载如何调节?
评论2021-06-23
- 压力容器事故有哪些特征
评论2021-06-22
- 关于一些压力容器事故的分类
评论2021-06-22
- 对压力容器事故的定义
评论2021-06-22
- 移动式压力容器修理工作要点
评论2021-06-22
- 三种常用的压力容器修理方法介绍
评论2021-06-22
- 采用制冷侧控制冷凝压力的方法要注意的事项
评论2021-06-22
- 冷凝压力控制系统的布置要注意哪些事项?
评论2021-06-22
- 风冷式冷凝压力的控制方法
评论2021-06-22
- 水冷式冷凝压力的控制方法
评论2021-06-22