- 冷凝器和蒸发器的不同安装
评论2020-02-27
- 冷库屋盖楼板及阁楼层
评论2020-02-27
- 济南市冷风机安装要求
评论2020-02-27
- 冷藏前的冷却
评论2020-02-27
- 库体隔热板接缝的密封性要求
评论2020-02-27
- 库体附件的装置要求
评论2020-02-27
- 空调安装检查管路连接部位的泄漏情况
评论2020-02-27
- 隔热板整体性能要求(国家标准)
评论2020-02-27
- 隔热板安装要求
评论2020-02-27
- 储液器、油分离器、中间冷却器安装和接管的原则
评论2020-02-27
- 承受全部载荷的冷库土层基础
评论2020-02-27
- 成套式和组件装配式制冷设备安装注意事项
评论2020-02-27
- 氨制冷系统的管道不可采用钢管和其他有色金属
评论2020-02-27
- 怎样更换R134a制冷剂的全封闭式压缩机?
评论2020-02-26
- 无氟冷柜维修时有何特殊要求及注意事项?
评论2020-02-26
- 无氟冷柜怎样充注R134a制冷剂?
评论2020-02-26
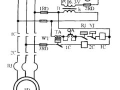
- 怎样分析3m³冷藏箱电路?
评论2020-02-26
- 怎样分析1m³冷藏箱电路?
评论2020-02-26
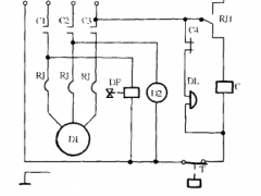
- 怎样分析三相电源冷藏箱电路?
评论2020-02-26