- 制冷剂的发展概述
评论2021-07-27
- 多联机式空调系统的优点
评论2021-07-27
- 多联机式空调装置采用的新技术有哪些?
评论2021-07-27
- 多联机式空调系统的应用
评论2021-07-27
- 空气一空气热泵式冷热风机组的特点
评论2021-07-27
- 空气一水热泵式冷热水机组的应用
评论2021-07-27
- 热泵机组介绍:土壤源热泵机组
评论2021-07-26
- 热泵机组介绍:水源热泵机组
评论2021-07-26
- 热泵机组介绍:空气源热泵机组
评论2021-07-26
- 空调用蒸发冷却技术:间接蒸发冷却系统
评论2021-07-26
- 空调用蒸发冷却技术:直接蒸发冷却和间接蒸发冷却
评论2021-07-26
- 空气一水热泵式冷热水机组的特点
评论2021-07-26
- 空调用热泵的分类
评论2021-07-26
- 空调冷源、热源兼用型一体化设备——热泵机组的特征
评论2021-07-26
- VS型热水锅炉装备的自动控制和安全保护装置
评论2021-07-26
VS(立式)和VSH(卧式)型真空式燃油、燃气多用途热水锅炉(上海三荣冷热设备公司)的特点
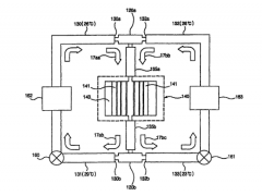
vs型真空热水锅炉是一种结构新颖、高效节能的亿式多用途热水锅炉。其内部结构和外部系统的接管、流程大致如图52-17所示。
评论2021-07-2670
- 电磁式电子膨胀阀的结构和工作原理
评论2021-07-23
- 电子控制的热电膨胀阀结构和工作原理
评论2021-07-23
- 双金属片型热电膨胀阀结构和工作原理
评论2021-07-23
- 热力膨胀阀的结构原理和应用
评论2021-07-23