- 热泵型空调器有什么特点?
评论2020-03-05
- 空调分配器的型式
评论2020-03-05
- 进入蒸发器的大部分是液体还是气体
评论2020-03-05
- 空调器是如何实现制热的?
评论2020-03-05
- 过滤网的各式结构及安装部位
评论2020-03-05
- 国产热继电器的结构原理实例
评论2020-03-05
- 空调器是如何实现制冷的?
评论2020-03-05
- 国产空调接触器示例图原理
评论2020-03-05
- 怎样分析分体柜式空调器室外机电路?
评论2020-03-05
- 关于减小通风机机械噪声的方法
评论2020-03-05
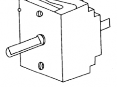
- 非自动切换电器——选择开关的主要作用
评论2020-03-05
- 怎样分析分体柜式空调器室内机电路?
评论2020-03-05
- 非自动切换电器——船形开关的结构原理
评论2020-03-05
- 怎样分析电热型窗式空调器电路?
评论2020-03-05
- 多种形式的管路关闭阀
评论2020-03-05
- 电热控制双金属片驱动膨胀阀结构
评论2020-03-05
- 电磁换向阀控制四通阀的导向
评论2020-03-05
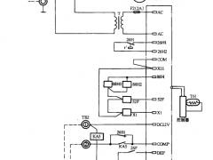
- 怎样分析东芝热泵型空调器电路?
评论2020-03-05
- 单相电源电动机的启动方式
评论2020-03-05
- 大型空调的制冷站用什么类型的制冷机组
评论2020-03-05