1.传感器安装位,和实物外形
①室内环温传感器 室内环温传感器固定在离心风扇进风口的罩圈上面,作用是检测室内房间温度。②室内管温传感器 室内管温传感器检测孔焊接在蒸发器的管壁上面,作用是检测蒸发器温度。③室外管温传感器 室外管温传感器检测孔焊在冷凝器管壁上面,作用是检测青岛冷凝器温度。④实物外形 传感器均只有2根引线。不同的是,室内环温传感器使用塑封探头,室内管温和室外管温传感器使用铜头探头。
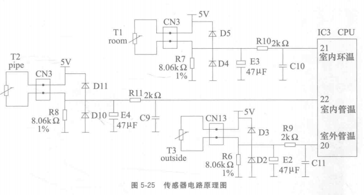
2.工作原理 传感器电路原理图见图5-25。工作原理和挂式空调器相同,电路作用是为CPU提供温度信号。
传感器为负温度系数的热敏电阻,与下偏置电阻(R7, R8, R6)组成分压电路,传感器温度变化时,阻位也随之变化,分压点电压即CPU引脚电压也随之改变,CPU根据引脚(21, 22, 20)电压值计算出室内环温、室内管温、室外管温传感器的实际温度值,从而对整机电控系统进行控制。






