气路系统流程图如图7-3所示。

气路系统包括空气过滤器、卸载阀(或碟阀)、压缩机、单向阀、油气分离器、最小压力阀、气冷却器、气水分离器和安全阀。

空气由空气过滤器滤去尘埃之后,经卸载阀(或碟阀)进人压缩腔压缩,并与润滑油混合;与油混合之后,油、气混合物通过单向阀进人油气分离器,经油气分离器滤芯;进行油气分离后,经最小压力阀、气冷却器,到气水分离器,最后送人使用系统中。
空气过滤器
进气的洁净与否会影响压缩机的正常运行。吸人未经过滤清洁的空气,会缩短主机、润滑油、油过滤器及油气分离器滤芯的使用寿命。空气过滤器为干式纸质滤芯,过滤纸细孔约为15μm左右,其表面会积尘,通常每500h应取下清除表面的尘埃。有些机型上的空气过滤器装有压差发信器,如果仪表板上显示空气过滤器堵塞,即表示滤芯必须清洁或更换(工况不同,清扫周期需改变)。
2.卸载阀(碟阀)
机组起动时,卸载阀处于关闭状态,使压缩机在无负载情况下起动,降低了电机起动时的电流,便于电动机的正常工作。卸载阀本体带有空载进气口,可避免压缩机机体内的过真空。
3.主机
单螺杆空气压缩机因其力平衡性好、轴承负荷小,星轮片齿与螺杆螺旋槽极其精准的啮合副型线在运转中摩擦极小,所以磨损极微、寿命很长,其效率和噪声都优于其他回转式压缩机的同类参数。同时,由于螺杆上有6个螺旋槽,对应配置的两个星轮体组件,将每个螺杆槽分隔为上、下两个空间,各自实现吸气、压缩、排气过程,因此单螺杆压缩机相当于一台六缸双作用的往复压缩机。螺杆每旋转一周,压缩机便产生12个压缩循环,每分钟排气达35000多次。单螺杆压缩机可提供稳定无脉动的压缩空气,充分显示出其在结构上所具有的合理性和
先进性。
注意:主机是机组中最重要的部件,机体内装置的均为精度较高的运动件,因此在运转中,不论进气端还是进油端均不允许杂物进人,还要保持工作环境适宜,供油润滑系统正常,以免发生故障,影响使用。
4.油气分离器油气分离器主要有简体、粗分简、油气分离器滤芯和回油管组成。压缩机排出的油气混合气体切向进入简体,沿简内壁流动,在离心力作用下,油滴聚合在内壁上,然后油气混合气上返,油滴沉降。这样利用旋风分离法和上返分离法,使绝大部分油得以分离出来,并沉降到简体底部(即油箱)。
含有少量油雾的气体进人分离器滤芯时,滤芯对气体中的油雾进行最后的拦截和聚合,并进行精分离。形成的油滴下沉到滤芯底部,经回油管至节流片,返回到压缩机进气低压腔,而通过最小压力阀排出的气体是纯净高品质的压缩空气。
油气分离器底部设有放油管,以备平时排放冷凝水和换油之用。油气分离器筒身上的加油孔,可供加油用。
注意:回油管组件中,节流片的作用是使被油气分离器滤芯分离出来的油在压差作用下全部被及时抽走,而又不让太多的压缩空气放走。
如果回油管不畅通或节流孔被堵,油气分离器滤芯内会积油,严重影响分离效果,导致排气含油量过高或油耗增加。
5.最小压力阀最小压力阀由阀体、阀芯、活塞、弹簧等组成,连接在油气分离器盖板上,开启压力一般为0.4MPa左右。
最小压力阀功能为:
①优先建立起开机时油路系统所需的循环压力,确保机体的润滑。
②最小压力阀的开启压力,保证油气混合气体以合理的流速通过油气分离器滤芯,从而确保较好的油气分离效果。
③具有止逆作用,防止管道中的气体向油气分离器倒流。
6.冷却器
①风冷压缩机的冷却器:使用高效板翅式冷却器,其排气温度一般比环境温度高15℃左右。风冷压缩机对环境温度条件较敏感,选择放置场所时,应注意环境的通风条件。
②水冷压缩机的冷却器:使用管壳冷却器,用水来冷却压缩空气。注意:
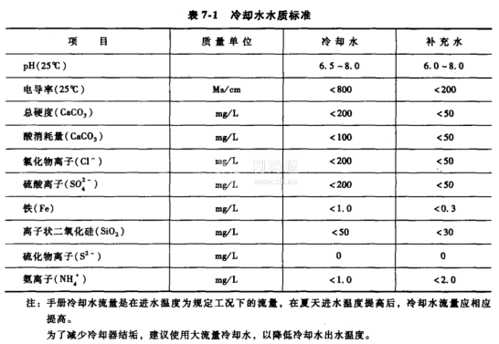
冷却水人口温度不得超过35℃。水冷压缩机对环境温度条件不是很敏感,但对冷却水质有一定的要求,最好是中性水(pH在7左右)。如果pH值太高,冷却器易结垢阻塞;如果pH值太低,易腐蚀冷却器内部的铜质材料。冷却水水质标准见表7-1。

7.气水分离器
旋风分离式的气水分离器,可自动除去因空气冷却之后产生的冷凝水、油滴及杂质等。压缩空气经过气水分离器排出后,即可直接送至各用气设备或空气后处理设备。
说明:冷凝水排放管路须由用户自己安装。
注意:若无排放或有漏气现象发生,均应停机及时修理,并疏通气水分离器,消除冷凝水对管道及后处理设备造成的隐患。
8.安全阀
当系统压力设定不当或遇其他意外情况,而使油气分离器简内的压力比额定排气压力高出10%左右时,安全阀即会自动打开,使压力降至设定排气压力以下。
注意:安全阀出厂前已经过调整,请勿随意调整!






