- 低压循环储液桶的气液分离作用
评论2020-02-28
- 储液器常见结构类型
评论2020-02-28
- 汽缸拉毛是怎样造成的?
评论2020-02-28
- 常用的隔热层保护层
评论2020-02-28
- 压缩机的能量调节装置(卸载装置)发生故障是何原因?
评论2020-02-28
- 常见的蒸发器特点
评论2020-02-28
- 怎样快速判断液击?如何紧急处理?
评论2020-02-28
- 油击与液击有何不同?
评论2020-02-28
- 压缩机曲轴箱的敲击声是怎样发出来的?怎样检查?
评论2020-02-28
- 压缩机汽缸的敲击声是怎样发出来的?怎样检查?
评论2020-02-28
- 过滤器和制冷管路堵塞的处理方法
评论2020-02-27
- 热力膨胀阀的堵塞有几种形式?
评论2020-02-27
- 蒸发器内冷冻油太多怎么办?
评论2020-02-27
- 家用冷热饮水机有何特点?
评论2020-02-27
- 什么是一听、二摸、三看加分析的检修方法?
评论2020-02-27
- 食品速冻机(氨制冷)板式冻结器有了故障怎么办?
评论2020-02-27
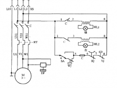
- 食品速冻机的电气控制原理如何?
评论2020-02-27
- 螺旋式冻结器结构如何?
评论2020-02-27
- 平板冻结器结构如何?
评论2020-02-27